Description
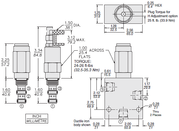
The pr58-38xxx is a screw in, cartridge style, direct acting, spool type, hydraulic pressure reducing/relieving valve with internal spring chamber drain, and spool damping chamber.
Operation
It is designed to act as a pressure regulating device for secondary circuits. In its steady state, the pr58-38xxx allows flow to pass bidirectionally from port 2 to port 1 with the spring chamber constantly drained at port 3. Upon attainment of a predetermined pressure at port 1, the cartridge shifts to block flow at port 2, thereby regulating pressure at port 1. In this mode, the valve will also relieve port 1 to port 3.. Port 2 may be protected by a 60 x 60 mesh screen.
Features
- Adjustments cannot be backed out of the valve.
- Adjustments prohibit springs from going solid.
- Optional spring ranges to 248 bar (4200 psi)
- Optional 233 micron screen.
- Hardened spool and cage for long life.
- Compact, industry-common size.


