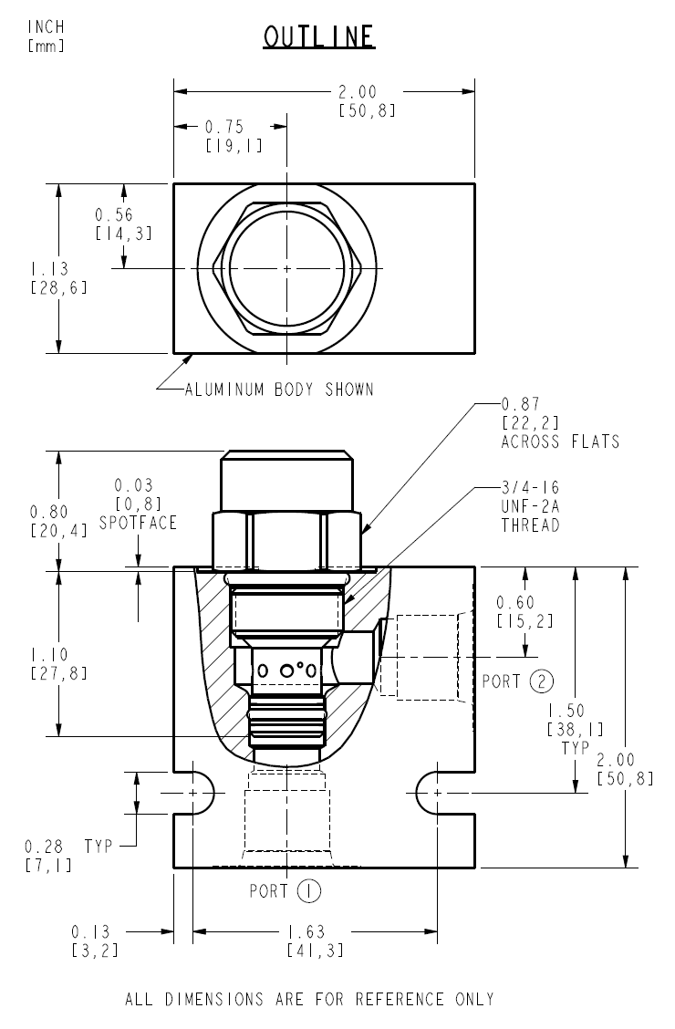
Description
FR08-20F is a screw-in, cartridge style, fixed orifice, pressure compensated, hydraulic flow regulator valve (restrictive type).
Operation
The valve maintains a constant flow rate from port 1 to port 2 regardless of load pressure changes. Reverse flow returns through the control orifice and is non-compensated.
Features
- Hardened parts for long life.
- Quiet, modulated response.
- Compact, industry-common cavity.

