EDCMF

EDCMF

EDCMF
Description

These modular secondary elements EDCMF_… can be flange mounted on top of the EDC elements machined with the interfacing surface.

They let through free flow to the A (or B) port.

Body made of zinc plated cast iron.

General
Weight:
  • 0.6 kg (1.3 lbs)
Ambient temperature:
  • –30….+90 (-22….+194) (NBR seals)
Hydraulic:
Maximum pressure:
  • 310 bar (4500 psi)
Maximum flow:
  • 60 l/min (15.85 gpm)
Hydraulic fluid General properties: it must have physical lubricating and chemical properties suitable for use in hydraulic systems such as, for example:
  • Mineral oil based hydraulic fluids HL (DIN 51524 part 1). Mineral oil based hydraulic fluids HLP (DIN 51524 part 2). For use of environmentally acceptable fluids (vegetable or polyglycol base) please consult us.
Fluid Temperature:
  • –30….+100 °C (-22….+212 °F) (NBR)
Permissible degree of fluid contamination:
  • ISO 4572: βₓ≥75 X=12...15 ISO 4406: class 20/18/15 NAS 1638: class 9
Viscosity range:
  • Note: For applications with different specifications consult us.
  • 5….420 mm²/s
Type
Material Number
EDCMF-1/2G DIN3852
R933009244
EDCMF-3/8G DIN3852
R933009245
EDCMF-SAE8 (3/4-16 UNF)
R933009246
EDCMF-SAE10 (7/8-14 UNF)
R933009247
EDCMF-M22X1,5 DIN3852
R933009248
EDCMF-1/2 JIS B 2351
R933009249
EDCMF-M18X1,5 ISO6149
R933009250
RE18301-48-sym
RE18301-48-Dim
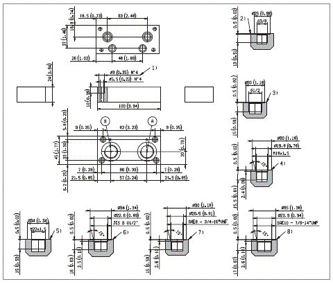
1
Four through holes 5.5mm (0.217 inch) for locking on top of the EDC Directional Valve Elements.
2
A and B ports: DIN3852 3/8”Gas
3
A and B ports: DIN3852 1/2” Gas
4
A and B ports: ISO 6149 M18x1.5
5
A and B ports: DIN3852 M22x1.5
6
A and B ports: JIS B 2351 – 1/2”G
7
A and B ports: 3/4-16”UNF-SAE8
8
A and B ports: 7/8-14”UNF-SAE10