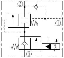
Description
A proportional solenoid-operated, 3-way, normally closed flow control, screw-in hydraulic cartridge valve intended for post-compensated applications with load sense systems. In post-compensated systems the load sense (port 1) of each HSPEC12-32 valve is connected to highest load which maintains flow sharing when flow demand exceeds flow supply. Pressure compensation value of the valve defined as pressure difference between inlet and load sense ports is provided by appropriate setup of a pump load sense control or by additional pressure compensator valve, one for the whole system, in case if the pump is non-adjustable.
Operation
When de-energized, the HSPEC12-32XX blocks flow from port 3 to port 2. The valve will regulate flow out of port 2 regardless of load pressure with flow rate proportional to current applied to the solenoid.
Features
- Integral post-compensator.
- Integral load-sense.
- Reduced manifold space claim.
- Continuous-duty rated coils.
- Optional "A" type linear metering poppet.
- Manual override option.
- E-Coils rated up to IP69K.
- Flow sharing possible
- All HyPerformanceâ„¢ valves are tested to the rigorous standards of NFPA specification T2.6.1 and are tested at a verification level of 90% and an assurance of 99%


