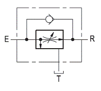
Description
A constant flow rate, regardless of system pressures, is established from E to R, while a minimum pressure differential of appr. 5 bar (70 psi) exists between the two ports. Input flow supplied to E in excess of the regulated output at R is by-passed to T. Output flow can be varied from closed to the nominal maximum rating for the valve. Reverse flow from R to E is limited by the selected opening of the restrictor and is not pressure compensated. Flow from T to E or from T to R is not possible. Increasing or decreasing inlet flow may cause slight increase or decrease of Regulated flow.


