COIL_10-XXDX-X_prod_2026-02-20

Coil_10-XXDX/X

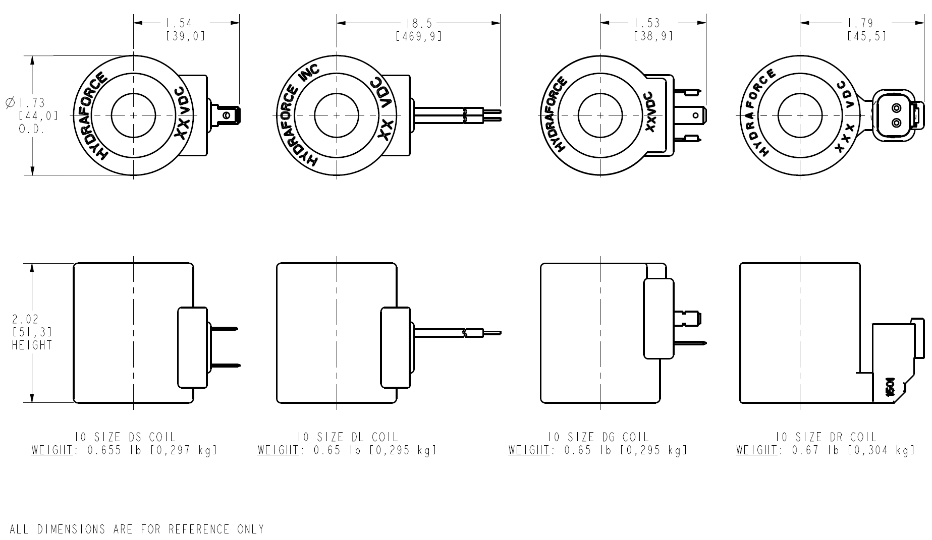
D COIL 10 SIZE

Construction

Magnet wire wound on a molded 30% glass filled bobbin framed in steel and encapsulated with 30% glass filled polyester resin.


Properties

Magnet wire:
  • U.S. class H 180 °C (356 °F) minimum rating
Mating connector:
  • DT06-2S-P012 For DEUTSCH DT04-2P
Weight:
  • 0.297 kg (0.655 lb) DS Coil
  • 0.295 kg (0.65 lb) DL Coil
  • 0.298 kg (0.65 lb) DG Coil
  • 0.304 kg (0.67 lb) DR Coil

Electrical Specifications

Voltage
Resistance
Inductance
Initial current draw
Initial power
10
4.83 Ohm ±3%
9.39 mH ±5%
2.07 A
20.7 W
12
7.2 Ohm ±3%
13.20 mH ±5%
1.67 A
20.0 W
20
19 Ohm ±5%
34.98 mH ±5%
1.05 A
21.1 W
24
28.8 Ohm ±5%
52.67 mH ±5%
0.83 A
20.0 W
36
64.8 Ohm ±5%
100.53 mH ±5%
0.56 A
20.0 W
48
110.2 Ohm ±5%
181.00 mH ±5%
0.44 A
20.9 W

Diodes

COIL_10-XXDX-X_FIG_2026-02-20
Bidirectional Zener Diode Parameters
Maximum clamping voltage:
  • 45.7 V 12 Vdc coil
  • 64.8 V 24 Vdc coil
Maximum peak pulse current:
  • 13.2 A 12 Vdc coil
  • 9.3 A 24 Vdc coil
Reverse standoff voltage:
  • 28.2 V 12 Vdc coil
  • 40.2 V 24 Vdc coil
Maximum reverse leakage:
  • 5.0 µA 12, 24 Vdc coil
Breakdown voltage:
  • 31.4 to 34.7 V 12 Vdc coil
  • 44.7 to 49.4 V 24 Vdc coil
Diode part number:
  • 6110163 12 Vdc coil (ref)
  • 4000063 24 Vdc coil (ref)
Unidirectional Diode Parameters
Average forward current:
  • 3.0 A Maximum, 12 Vdc coil
  • 1 A Maximum, 24 Vdc coil
Maximum repetitive peak reverse voltage:
  • 50 V 12 Vdc coils
  • 400 V 24 Vdc coils
COIL_10-XXDX-X_DIM_2026-02-20
COIL_10-XXDX-X_ORDER_2026-02-20
Old Number
New Number
Code
Vols
Termination
UL
Diode
6356010
R930091152
10 DG
10
DIN 43650
true
false
6352010
R935060478
10 DL
10
DUAL LEADS
true
false
4301891
R935003555
10 DR/D
10
DEUTSCH DT04-2P
true
true
6351010
R930091144
10 DS
10
DUAL SPADE PER SAE J858a
true
false
6356012
R930091153
12 DG
12
DIN 43650
true
false
6352012
R930091149
12 DL
12
DUAL LEADS
true
false
6357012
R930091154
12 DL
12
DUAL LEADS
true
false
6359732
R930091158
12 DL/D/W
12
MALE 2-PIN WEATHERPACK
true
true
6359412
R930091156
12 DL/W
12
MALE 2-PIN WEATHERPACK
true
false
4301612
R901539386
12 DR
12
DEUTSCH DT04-2P
true
false
4301892
R930091013
12 DR/D
12
DEUTSCH DT04-2P
true
true
4301862
R930091008
12 DR/Z
12
DEUTSCH DT04-2P
true
true
6351012
R930091145
12 DS
12
DUAL SPADE PER SAE J858a
true
false
4301893
R930091014
20 DR/D
20
DEUTSCH DT04-2P
true
true
6351020
R930091146
20 DS
20
DUAL SPADE PER SAE J858a
true
false
6356024
R935060519
24 DG
24
DIN 43650
true
false
6352024
R930091150
24 DL
24
DUAL LEADS
true
false
6359739
R935060580
24 DL/D/W
24
MALE 2-PIN WEATHERPACK
true
true
6359424
R930091157
24 DL/W
24
MALE 2-PIN WEATHERPACK
true
false
6355024
R935060506
24 DP
24
CONDUIT
true
false
4301624
R930091005
24 DR
24
DEUTSCH DT04-2P
true
false
4301894
R930091015
24 DR/D
24
DEUTSCH DT04-2P
true
true
6351024
R930095902
24 DS
24
DUAL SPADE PER SAE J858a
true
false
6351036
R930091147
36 DS
36
DUAL SPADE PER SAE J858a
true
false