Coil_70-XXEX/X

E COIL 70 SIZE

Description

Magnet wire winding overmolded 30% glass filled polyester, and enclosed in a three piece zinc plated metal shell.

Properties
Magnet wire:
  • U.S. class N 200 °C (392 °F) minimum rating
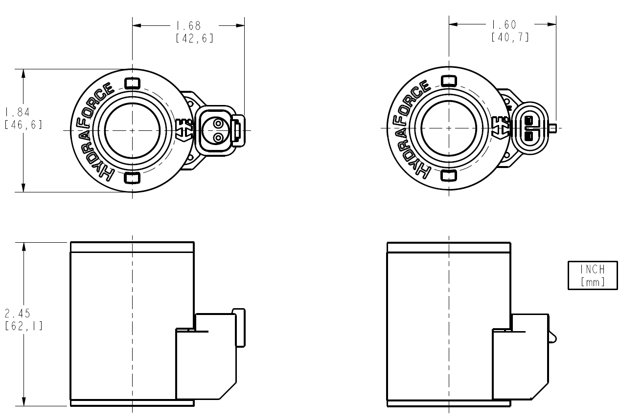
Mating connector:
  • DT06-2S-P012 DEUTSCH DT04-2P
  • DELPHI/PACKARD number 12052641 METRI-PACK 150-2M
Coil metal frame:
  • Plated for 1,000 hours of salt spray per ASTM B117-09 before corrosion (red rust)
Electrical Parameters
Coil resistance:
  • 4.5 ohm ±3% At 20 °C (68 °F), 12 V coil
  • 17.9 ohm ±5% At 20 °C (68 °F), 24 V coil
Maximum control current:
  • 1.5 A 12 V coil
  • 0.75 A 24 V coil
Coil initial power consumption:
  • 10.13 W At maximum control current, 12 V coil
  • 10.1 W At maximum control current, 24 V coil
Coil_70_EY_ER_DIM(2022-02-24)
Model code
Part no.
Voltage
Connector
IP rating
Diode
12EY
4303112
12
Metri-Pack 150 2M
IP69K
12ER
4303212
12
Deutsch DT04-2P
IP69K
24ER
4303224
24
Deutsch DT04-2P
IP69K