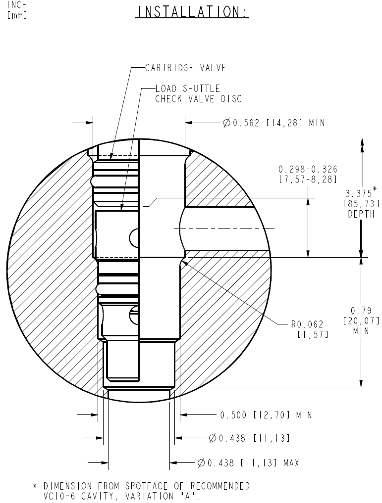
Description
The LSCVD10 is a drop-in, cartridge style, load sense check valve disc installed directly under a cartridge valve.
Operation
The load shuttle check valve allows free flow from ports 2 and 3 to port 1, while normally blocking flow in the opposite direction.


