Description
The PD10-50 is a screw-in, cartridge style, pilot operated, spool-type hydraulic directional valve.
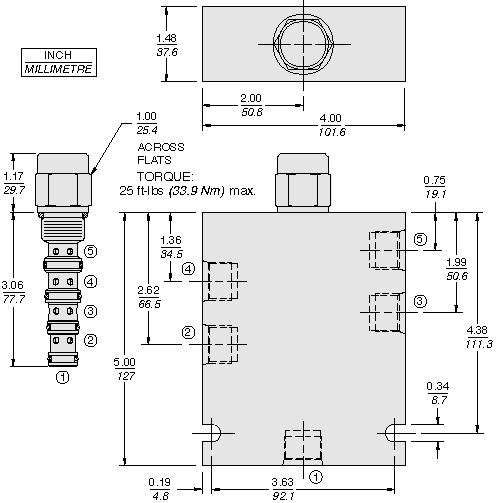
Operation
In neutral position flow is allowed between ports 2 and 3, while blocking flow at port 4. On remote pilot signal at port 1, the valve shifts to allow flow between ports 3 and 4, while blocking flow at port 2. The spring chamber is vented to the tank through port 5. The vented spring chamber allows the valve to be fully pressurized at ports 1, 2, 3, and 4 without affecting required pilot pressure. Pressure at port 5 will affect required pilot pressure.
Features
- Hardened spool and cage for long life.
- Industry common cavity.


