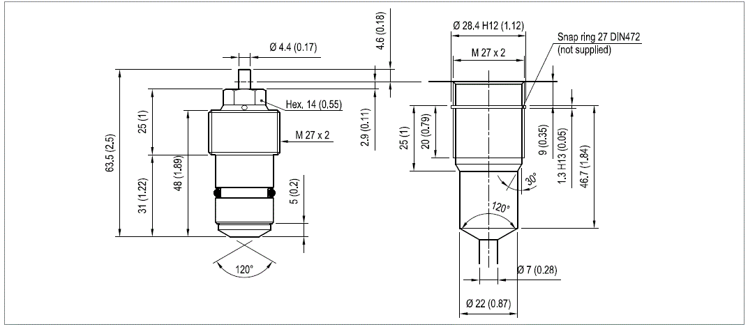
Description
Flow is normally locked in both directions. When pressure at B rises above the spring bias pressure, and when the mechanical pilot in A is operated, flow is allowed from B to A. VU-DT-D7-CM allows cylinders working in ‘master-slave’ circuits to self correct for volume tolerances at the end of working strokes.


