Description
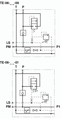
The inlet elements TE-06-_ _ are employed to connect the external P, T lines to the P, T channels inside the ED elements of the Directional Valve Assembly and to connect to the LS ports of the elements equipped with LS channels An LS controlled 3-way compensator provides pressure compensated flow to the ED elements of the Directional Valve Assembly. The same 3-way compensator is also controlled by a pilot relief cartridge and unloads to tank any excess flow in order to limit the primary pressure in the system. In the inlet elements version TE-06-_ _-01, the 3 way compensator can be mechanically blocked and the relief cartridge only controls the LS line pressure. The TE-06-_ _ inlet elements are available with body made of Black Anodized Aluminium (Al). Port sizes can be G 3/8, G 1/2, with test point PM and LS port G 1/4.


