Description
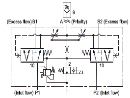
The flow control valves code 0M.43.12.80 are 3 way, with two separate inlets P1 and P2 and three outlets “A” and “B1” and “B2”, the first outlet “A” being priority, pressure compensated type, with pressure relief valve, and available on demand through a solenoid cartridge; the second and third outlets “B1” and “B2” are the by-pass for all flow in excess of what demanded by priority. All flows from “A”, “B1” and “B2” ports can be employed to power different functions of the machine. These valves provide a simple and efficient way to power hydraulic tools (such as hydraulic hammers) from the existing hydraulic system, without any need to modify the directional control valve. They allow the simultaneous operations, independently from the respective working pressures, of both the hydraulic actuator powered by the priority outlet “A”, and of the normal functions of the machine (traction, slewing, cylinder motions, etc.) supplied by the main directional valve through the by-pass outlet “B1” and “B2”.


