Description
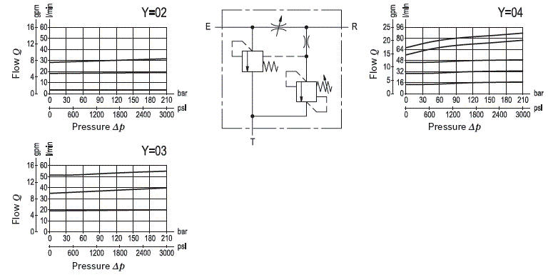
A constant pressure compensated flow rate is established from E to R, while a minimum pressure differential of appr. 5 bar (70 psi) exists between the two ports. Input flow supplied to E in excess of the regulated output at R is by-passed to T. Output flow can be varied from zero (Closed) to the nominal maximum rating for the valve (Open). The valve module includes a small pilot relief cartridge which senses the pressure of the Regulated flow and diverts it to tank if the maximum allowed pressure is reached. Reverse flow from R to E is limited by the selected opening of the lever controlled restrictor and is not pressure compensated. Flow from T to E or from T to R is not permitted.


