Description
The PD12-S50X is a screw-in, cartridge style, pilot operated, spool type, hydraulic directional valve.
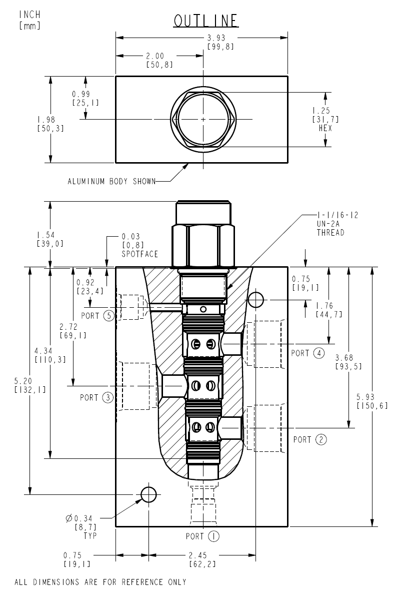
Operation
In the neutral position flow is allowed between ports 2 and 3, while blocking flow at port 4. On remote pilot signal at port 1 the valve shifts to allow flow between ports 3 and 4, while blocking flow at port 2. The spring chamber is vented to the tank through port 5. The vented spring chamber allows the valve to be fully pressurized at ports 1, 2, 3 and 4 without affecting required pilot pressure. Pressure at port 5 will affect required pilot pressure.
Features
- Hardened spool and cage for long life.
- Optional sealed pilot and spring chamber.


