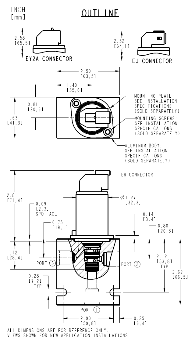
Description
The EHPR98-G35AX is a direct-acting, spool-type, proportional, pressure reducing relieving valve. It is a 3rd generation hydraforce drop-in, flange mounted cartridge type valve for use with mineral based or synthetic (with lubricating properties) hydraulic fluids. The coil is an integral part of the valve and is not serviceable the regulated pressure is proportional to the input electrical current in the pressure ranges shown.
Features
- Economical drop-in style.
- Mounting plate option.
- Compact size.
- Retrofit option for EHPR98-T35.
- Quick response time.
- Inlet screen and pressure options.
- Top-mounted connector.
- Low leakage.


