Description
The TS12-26X is a screw-in, cartridge style, pilot-operated, spool-type, relief valve which CAN be infinitely adjusted across a prescribed range using a variable electric current. The regulated pressure is proportional to the input electrical current.
Operation
The TS12-26X blocks flow from port 1 to port 2 until sufficient pressure is present at port 1 to open the pilot section by offsetting the electrically induced solenoid force. With no current applied, the valve will relieve at approximately 100 psi [6,9].
Features
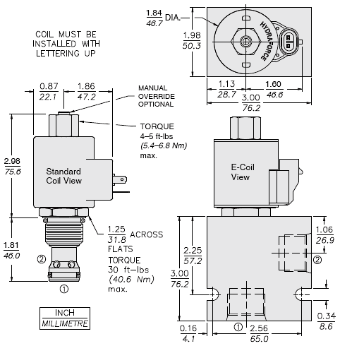
- 12 and 24 volt coils standard.
- Optional waterproof E-Coils rated up to IP69K.
- Industry common cavity.
- Optional manual override.


