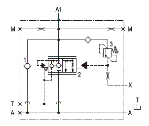
Description
Unrestricted upstream flow (A – A1) to the cylinder is possible through the check valve (1), while downstream flow (A1 – A) is locked by the leak free main spool (2) which is held closed by the spring and by the load induced pressure. With pilot pressure at X (joystick), the spool (2) is first vented to tank then it is remotely controlled and it slides to provide metering for the downstream flow; after the initial venting, the pilot pressure required to move the spool is load independent. The downstream (A1 – A) metering curve and the cracking pressure are factory designed and set for the specific type of machine and cannot be adjusted. The valve includes a small relief cartridge (3) which senses the A1 pressure (load induced) and opens under overload or shock conditions in order to pilot fully open the main spool (2): this allows any excess of pressure at A1 to be relieved downstream through A. For better safety and compact assembly, the A1 port is gasket mounted directly on the actuator.
Note: port identified with M are not protected with calibrated orifice but in direct connection with pressure channels.


