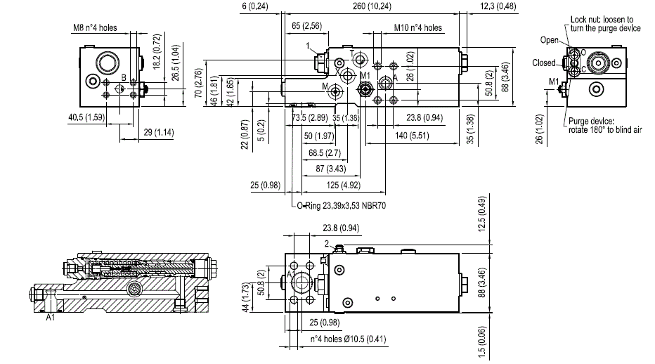
Description
Unrestricted upstream flow (A – A1) to the cylinder is possible through the check valve (1), while downstream flow (A1 – A) is locked by the leak free main spool (2) which is held closed by the spring and by the load induced pressure. With pilot pressure at X (joystick), the spool (2) is first vented to tank then it is remotely controlled and it slides to provide metering for the downstream flow; after the initial venting, the pilot pressure required to move the spool is load independent. The downstream (A1 – A) metering curve and the cracking pressure are factory designed and set for the specific type of machine and cannot be adjusted. The valve includes a small relief cartridge (3) which senses the A1 pressure (load induced) and opens under overload or shock conditions in order to pilot fully open the main spool (2): this allows any excess of pressure at A1 to be relieved downstream through A. For better safety and compact assembly, the A1 port is gasket mounted directly on the actuator.


