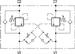
Description
It provides static and dynamic control of load by regulating the flow IN and OUT of the actuator, through ports C1 and C2. This valve module includes 2 sections, each one composed by a check and a relief valve pilot assisted by pressure in the opposite line: the check section allows free flow into the actuator, then holds the load against reverse movement; with pilot pressure applied at the line across, the pressure setting of the relief is reduced in proportion to the stated ratio until opening and allowing controlled reverse flow. Back-pressure at V1 or V2 is additive to the pressure setting in all functions. For better safety and compact assembly, the C1 and C2 ports are gasket mounted directly on the actuator.


