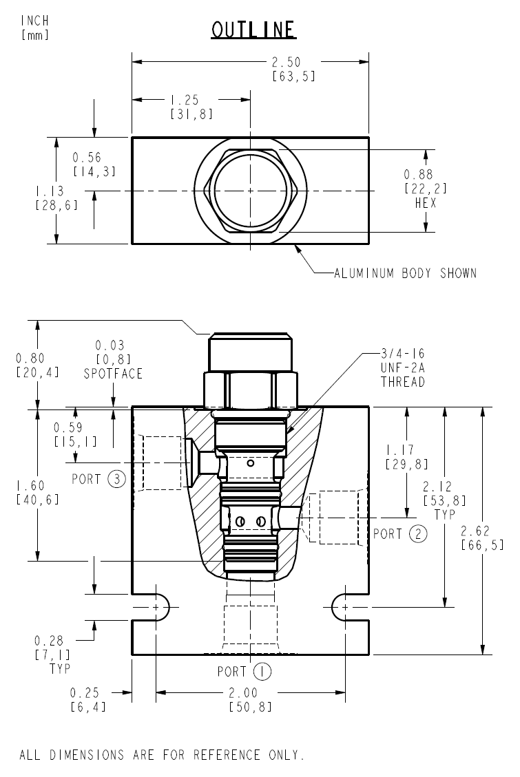
Description
EPFR58-35 is a screw-in, cartridge style, bypass type pressure compensating element intended for use with remote fixed or variable orifice to provide a constant flow regardless of load pressure changes.
Operation
It is spring biased spool type valve provided with a small internal orifice between ports 2 and 3 so that the valve would bypass all flow to tank at bias spring pressure value plus pressure rise at no load flow demand. The orifice is pressure compensated to restrict flow loss through it at load flow demand.
Features
- Multiple function in a single cavity.
- Low bleed flow throughout the operating pressure range.
- High system efficiency.
- Industry-common cavity.


