Description
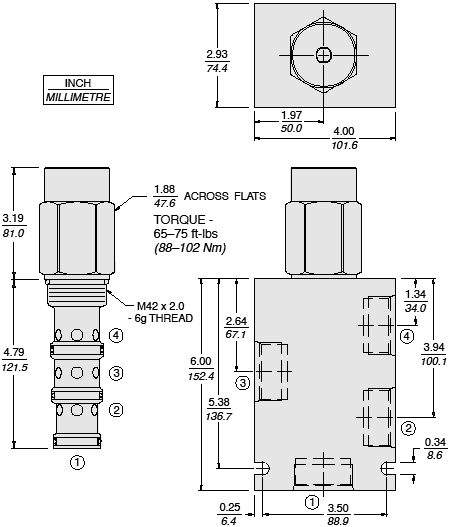
EC42-M43 is a screw-in, cartridge style, priority on demand pressure compensator with dynamic load sense, intended to provide priority flow in required amount, while allowing excessive flow to be used for auxiliary functions.
NOTE: 0.79 mm (0.031 in) orifice recommended to be installed in load sense line at port 1 for better stability.
Operation
With inlet flow at port 3, the EC42-M43 will deliver required flow at port 4 regardless of load pressure. Excessive flow exits at port 2. Port 1 is the load sense port.
Features
- Hardened parts for long life.
- Quiet, modulated response.
- Industry-common cavity.


