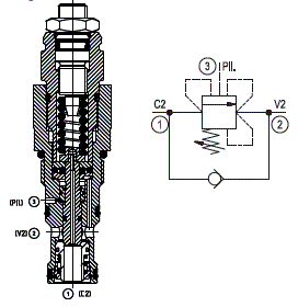
Description
When pressure at 2 rises above the spring bias pressure, the check seat is pushed away from the piston and flow is allowed from 2 to 1. When load pressure at 1 rises above the pressure setting, the direct-acting, differential area relief function is activated and flow is relieved from 1 to 2. With pilot pressure at 3, the pressure setting is reduced in proportion to the stated ratio of the valve, until fully open with free-flow from 1 to 2. The spring chamber is drained to 2. The valve applies a balanced piston design allowing relief operation at the valve setting independent of backpressure at 2. However, the piloted opening of the valve remains subject to additive pressure at port 2. Valve design prevents spring going solid and complete unscrewing during adjusting.


