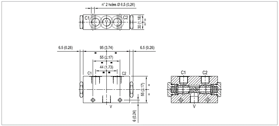
Description
This valve gives division of input flow from V to C1-C2, and re-combines flows in reverse direction from C1-C2 to V. The ratio between the flows through C1 and through C2 is maintained constant (typically 50% / 50%) over a wide range of pressure variations and of pressure imbalance in order to synchronize the motion of 2 actuators in both forward and reverse directions. In flow division mode, should either C1 or C2 be blocked, approximately 1รท2% of the available flow can be forced through the port still open.


