055301X04Z

VSO-DE (G 3/4)

055301X04Z
RE18307-18-01(2023-10-25)
Description

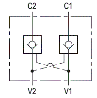
Flow is allowed to pass in one direction (V1 to C1 or V2 to C2), then the valve remains closed (checked) in both reverse directions (C1 to V1 or C2 to V2) in order to hold and lock in position the cylinder or other actuators; reverse flow is possible only when sufficient pilot pressure is applied at V2 or V1, which act as cross connected pilot ports, and the pilot piston lifts the poppet from its seat overcoming cylinder port pressure.

In case of valve application in redundancy systems it is especially recommended to use version with sealed pilot piston.

General:
Operating pressure:
  • up to 210 bar (3000 psi)
Max. flow:
  • 100 l/min. (26 gpm)
Pilot ratio:
  • 4 : 1
Weight:
  • 2.6 kg (5.7 lbs)
Manifold material:
  • Note: Note: aluminium bodies are often strong enough for operating pressures exceeding 210 bar (3000 psi), depending from the fatigue life expected in the specific application. If in doubt, consult our Service Network.
  • Aluminium
Fluid:
  • Mineral oil (HL, HLP) according DIN 51524
Fluid temperature range:
  • -30 °C to 100 (-22 to 212 °F)
Viscosity range:
  • 10 to 500 mm²/s (cSt)
Recommended degree of fluid contamination:
  • Class 19/17/14 according to ISO 4406
Other technical data:
  • see data sheet 18350-50
The version with O-Ring and heavier spring is generally recommended.:
  • Note: Note: for applications outside these parameters, please consult us.
RE18307-18-02(2023-10-25)
RE18307-18-order(2023-10-25)
RE18307-18-dim(2023-10-25)