COIL_08-XXDX-X_prod_2026-02-25

Coil_08-XXDX/X

D COIL 08 SIZE

Construction

Magnet wire wound on a molded 30% glass filled bobbin framed in steel and encapsulated with 30% glass filled polyester resin. Coil impregnated with anerobic sealant.


Properties

Magnet wire:
  • U.S. class H 180 °C (356 °F) minimum rating
Connector:
  • Deutsch DT04-2P Mating connector: DT06-2S-P012
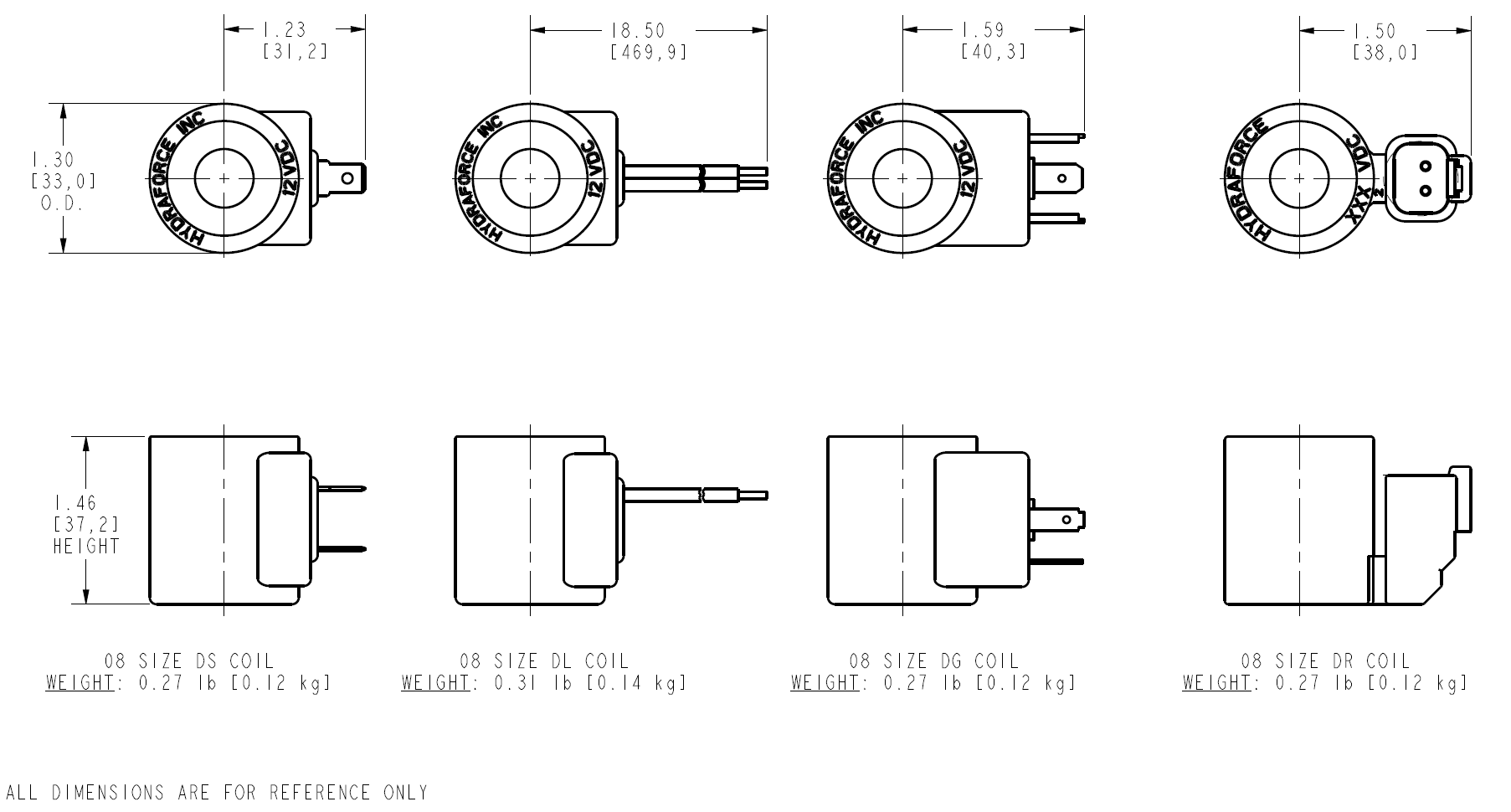
Weight:
  • 0.12 kg (0.27 lb) DS Coil
  • 0.14 kg (0.31 lb) DL Coil
  • 0.12 kg (0.27 lb) DG Coil
  • 0.12 kg (0.27 lb) DR Coil

Electrical Paramaters

Voltage
Resistance
Inductance
Initial current draw
Initial power
10
6.8 Ohm ±3%
6.64 mH
1.47 A
14.7 W
12
9.79 Ohm ±3%
8.89 mH
1.23 A
14.7 W
20
27.2 Ohm ±6%
27.45 mH
0.74 A
14.7 W
24
39.3 Ohm ±5%
34.91 mH
0.61 A
14.7 W
36
88.3 Ohm ±5%
70.81 mH
0.41 A
14.7 W
48
156.6 Ohm ±8%
134.31 mH
0.31 A
14.7 W

Diodes

COIL_08-XXDX-X_FIG_2026-02-20
Bidirectional Zener Diode Parameters
Maximum clamping voltage:
  • 45.7 V 12 Vdc coil
  • 64.8 V 24 Vdc coil
Maximum peak pulse current:
  • 13.2 A 12 Vdc coil
  • 9.3 A 24 Vdc coil
Reverse standoff voltage:
  • 28.2 V 12 Vdc coil
  • 40.2 V 24 Vdc coil
Maximum reverse leakage:
  • 5.0 µA 12, 24 Vdc coil
Breakdown voltage:
  • 31.4 to 34.7 V 12 Vdc coil
  • 44.7 to 49.4 V 24 Vdc coil
Diode part number:
  • 6110163 12 Vdc coil (ref)
  • 4000063 24 Vdc coil (ref)
Unidirectional Diode Parameters
Average forward current:
  • 3.0 A Maximum, 12 Vdc coil
  • 1 A Maximum, 24 Vdc coil
Maximum recurrent peak reverse voltage:
  • 50 V 12 Vdc coil
  • 400 V 24 Vdc coil
COIL_08-XXDX-X_DIM_2026-02-20
COIL_08-XXDX-X_ORDER_2026-02-20
Old Number
New Number
Code
Vols
Termination
UL
Diode
6302010
R935060162
10 DL
10
DUAL LEADS
true
false
4301871
R930091009
10 DR/D
10
DEUTSCH DT04-2P
true
true
6301010
R935060110
10 DS
10
DUAL SPADE PER SAE J858a
true
false
6306012
R935060200
12 DG
12
DIN 43650
true
false
6302012
R935060164
12 DL
12
DUAL LEADS
true
false
6307012
R930091130
12 DL
12
DUAL LEADS
true
false
6309737
R930091136
12 DL/D/W
12
MALE 2-PIN WEATHERPACK
true
true
6309412
R930091134
12 DL/W
12
MALE 2-PIN WEATHERPACK
true
false
4301512
R901539387
12 DR
12
DEUTSCH DT04-2P
true
false
4301872
R930091010
12 DR/D
12
DEUTSCH DT04-2P
true
true
4301852
R930091007
12 DR/Z
12
DEUTSCH DT04-2P
true
true
6301012
R978917265
12 DS
12
DUAL SPADE PER SAE J858a
true
false
6306020
R930091129
20 DG
20
DIN 43650
true
false
6301020
R930091124
20 DS
20
DUAL SPADE PER SAE J858a
true
false
6306024
R930093205
24 DG
24
DIN 43650
true
false
6302024
R930091126
24 DL
24
DUAL LEADS
true
false
6307024
R935060234
24 DL
24
DUAL LEADS
true
false
6309424
R930091135
24 DL/W
24
MALE 2-PIN WEATHERPACK
true
false
4301524
R930091004
24 DR
24
DEUTSCH DT04-2P
true
false
4301874
R930091012
24 DR/D
24
DEUTSCH DT04-2P
true
true
4301854
R935003542
24 DR/Z
24
DEUTSCH DT04-2P
true
true
6301024
R930095900
24 DS
24
DUAL SPADE PER SAE J858a
true
false
6306036
R935060219
36 DG
36
DIN 43650
true
false
6301036
R930091125
36 DS
36
DUAL SPADE PER SAE J858a
true
false