COIL_EHPR-XXEX-X_prod_2026-02-26

Coil_EHPR-XXEX/X

E COIL EHPR SIZE

Construction

Magnet wire wound on a molded 30% glass filled bobbin and encapsulated with 30% glass filled polyester resin. Overmolded coil is framed in steel.


Properties

Magnet wire:
  • U.S. class H 180 °C (356 °F) minimum rating
Connectors:
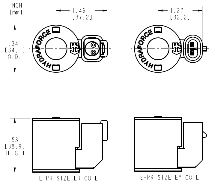
  • DEUTSCH DT04-2P Mating connector: DT06-2S-P012
  • METRI-PACK 150-2M Mating connector: DELPHI/PACKARD number 12052641
Coil metal frame:
  • Plated for 1,000 hours of salt spray per ASTM B117-09 before corrosion (red rust)
Weight:
  • 0.13 kg (0.28 lb)

Electrical Specifications

Voltage
Resistance
Inductance
Initial current draw
Initial power
12
5.4 Ohm ±8%
1.2 A
7.8 W
24
21.7 Ohm ±5%
0.6 A
7.8 W
COIL_EHPR-XXEX-X_DIM_2026-03-04
COIL_EHPR-XXEX-X_order_2026-03-04
Old Number
New Number
Code
Vols
Termination
UL
Diode
4304712
R930091041
12 ER
12
DEUTSCH DT04-2P
true
false
4304812
R930091043
12 EY
12
METRI-PACK 150 2M
true
false
4304724
R930091042
24 ER
24
DEUTSCH DT04-2P
true
false