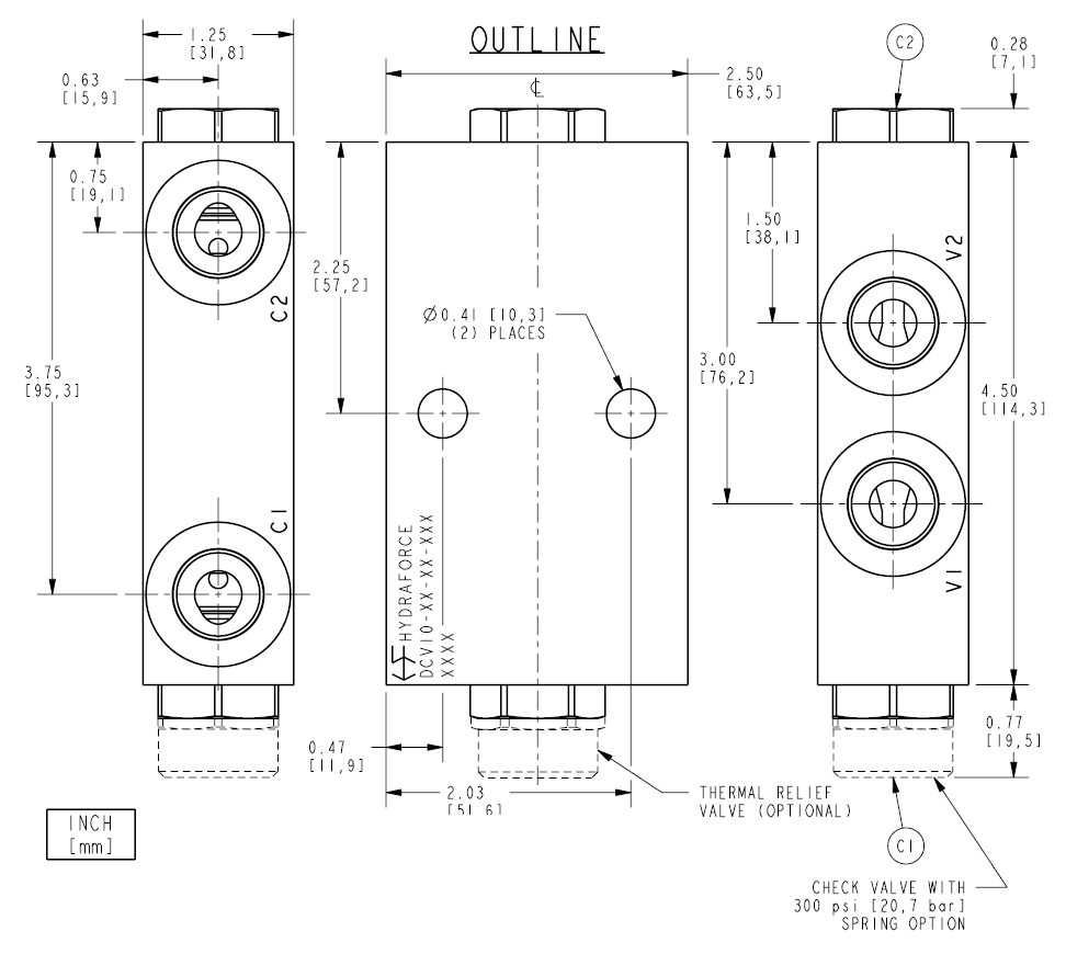
Description
The DCV10 is a double pilot operated, hydraulic check valve for use in blocking or load holding circuits.
Operation
The valve allows flow from "V" ports to "C" ports, while normally blocking flow in the opposite direction. Flow will be allowed from "C" to "V" when pressure is applied to the opposite side "V" port. The valve has 4:1 pilot ratio, so at least 25% of the load pressure held at either "C" port is required at the opposite "V" port to open the flow passage. Optional thermal relief valves are available which CAN be on port "C1" or "C2" or on both ports "C1" and "C2".
Features
- Hardened seat for long life and low leakage.
- Optional sealed piston.
- Optional cartridge thermal relief(s).
- Optional spring ranges.
- Low pressure drop.
- Check section is serviceable as a cartridge.


