Description
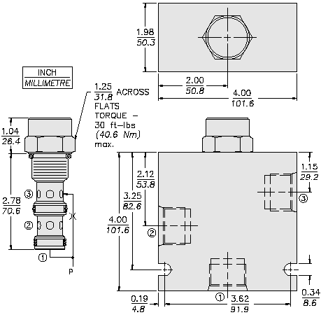
EC12-30 is a screw-in cartridge style pressure compensator element, intended for use with remote fixed or variable orifice to yield a two port type, pressure compensated, flow regulating hydraulic valve.
Operation
This valve maintains a constant flow rate from port 2 regardless of load pressure changes in the circuit downstream of port 2. This valve maintains a constant differential pressure from circuit point P to port 3 (see symbol), thereby regulating the hydraulic flow rate between the two points in the circuit.
Features
- Hardened parts for long life.
- Quiet, modulated response.
- Industry-common cavity.


